Ticker

6/recent/ticker-posts

Advertisement

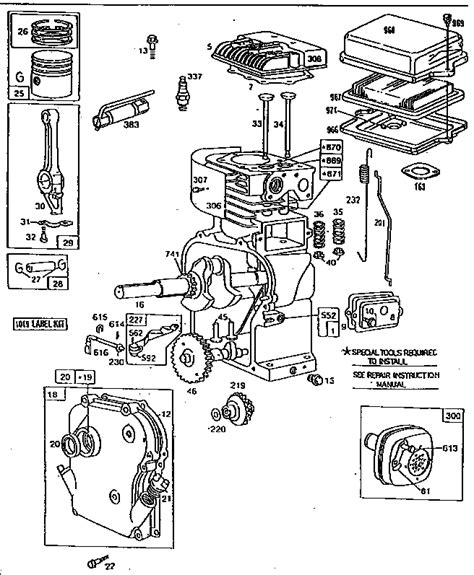
PDF Briggs And Stratton Quattro 40 Manual

At present you are looking for an Briggs And Stratton Quattro 40 Manual example of which we provide here inside some type of document formats such as PDF, Doc, Strength Point, and in addition images of which will make it simpler for you to create an Briggs And Stratton Quattro 40 Manual yourself. For a more clear look, you can open some examples below. All the good examples about Briggs And Stratton Quattro 40 Manual about this site, we get from several sources so you could create a better record of your own.

If the search you get here does not match what you are searching for, please utilize the research feature that we possess provided here. You are usually free to download anything that we provide right here, investment decision you won't cost you the slightest.

DOWNLOAD HERE

You know that reading Briggs And Stratton Quattro 40 Manual is useful, because we can easily get enough detailed information online in the reading materials. Technology has developed, and reading Briggs And Stratton Quattro 40 Manual books might be far easier and easier. We are able to read books on the mobile, tablets and Kindle, etc. Hence, there are lots of books coming into PDF format.

Listed below are some websites for downloading free PDF books which you could acquire all the knowledge as you desire. Today everybody, young and older, should familiarize themselves with the growing eBook market. Ebooks and eBook viewers provide substantial benefits over traditional reading. Ebooks cut down on the use of paper, as recommended by environmental enthusiasts. Right now there are no fixed timings for study. There is no question of waiting-time for new editions. Right now there is no transportation to be able to the eBook shop. The particular books in a eBook shop can be downloaded quickly, sometimes for free, at times for a fee.

Not merely that, the online version of books are generally less expensive, because publication houses save their print and paper machinery, the advantages of which are given to to customers. Further, the reach of the e book shop is immense, permitting an individual living in Quotes to source out to be able to a publication house inside Chicago. The newest trend in the online e book world is what are referred to as eBook libraries, or e book packages. An eBook package is something unusual. This consists of a large number of ebooks bundled up together that are not necessarily easily available at one single place. So instead regarding hunting down and buying, say 100 literary classics, you can aquire an eBook package which contains all these kinds of ebooks bundled together. These types of eBook libraries typically offer you a substantial savings, and are usually offered inside a number of formats to fit your brand of eBook reader. Large companies, such because Amazon or Barnes as well as Noble, tend to not necessarily carry these eBook your local library. If you want to be able to purchase one of these your local library, you will have to be able to search out independent eBook outlets. These independent eBook outlets typically package the e book libraries by genre, and have a wide selection of genres.